Size 8 [20mm] , provide precise linear positioning while occupying less than 1 in² of mounting footprint ,providing up to 45N of continuous thrust. External, Non-captive,Captive, Kaptive.
Motor Characteristics
| Motor | Voltage[V] | Current[A] | Resistance[Ω] | Inductance[mH] | Weight[g] | Lead Wire No. | Motor Length[mm] |
|---|---|---|---|---|---|---|---|
| 8-2105 | 2.5 | 0.5 | 5.1 | 1.5 | 51 | 4 | 27.2 |
| 8-2205 | 4.4 | 0.5 | 8.8 | 2.7 | 74 | 4 | 38.1 |
NOTE
Motor Insulation Class B, Motor Temperature Rise 80°C, Ambient Temperature -20℃~55℃
Available Lead Screw and Travel per Step
| Screw Dia.[inch] | Screw Dia.[mm] | Lead[inch] | Lead[mm] | Lead Code | Travel Per Step @ 1.8° [mm]* |
|---|---|---|---|---|---|
| 0.138 | 3.5 | 0.0118 | 0.3 | AF | 0.0015 |
| 0.138 | 3.5 | 0.024 | 0.6096 | AA | 0.003048 |
| 0.138 | 3.24 | 0.0394 | 1 | AB | 0.005 |
| 0.138 | 3.5 | 0.048 | 1.2192 | B | 0.0061 |
| 0.138 | 3.5 | 0.0787 | 2 | G | 0.01 |
| 0.138 | 3.5 | 0.1575 | 4 | M | 0.02 |
| 0.138 | 3.5 | 0.315 | 8 | T | 0.04 |
* Motor wiring and screw lead could be made according to customer’s request
* Value truncated
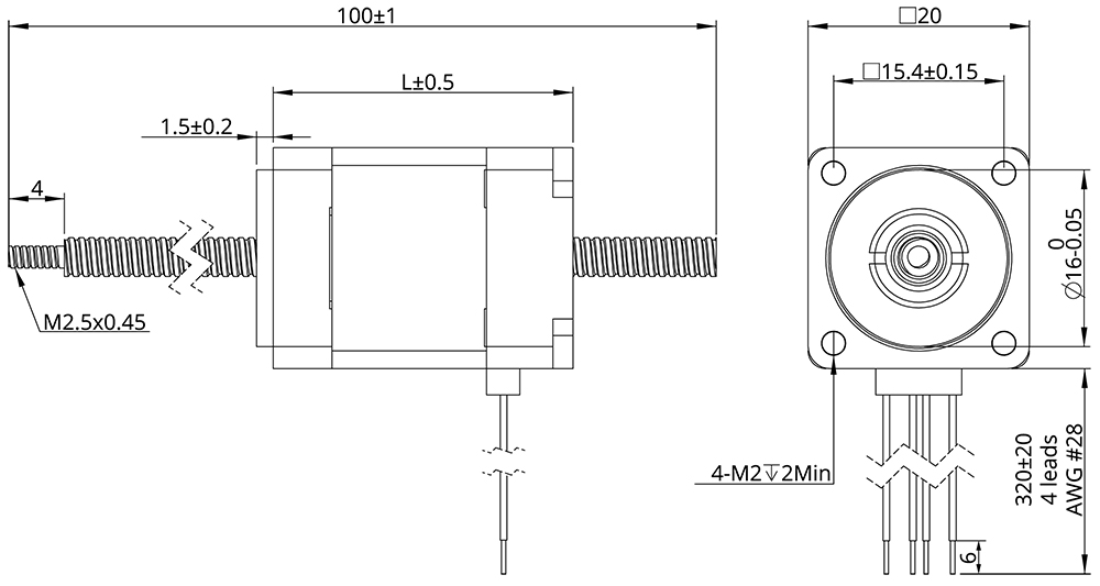
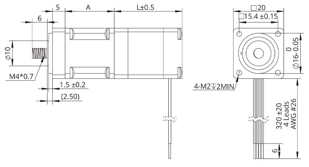
Dimensional Drawings
External


Non-captive
Non-captive


Captive


Kaptive


Stroke Specification
| Size A (mm) | Stroke B (mm) | Size C (mm) | |
|---|---|---|---|
| L=27.2 | L=38.1 | ||
| 11.20 | 9.00 | 1 | 0 |
| 14.90 | 12.70 | 5 | 0 |
| 21.10 | 19.05 | 11 | 0 |
| 27.60 | 25.40 | 17 | 6 |
| 34.00 | 31.80 | 24 | 13 |
| 40.30 | 38.10 | 30 | 19 |
Speed Thrust Curves
Single Stack
Double Stack

Options
Screw End Machining

Teflon Coating
If customer's applications require greaseless screw and nut combination, we offer teflon coated lead screw of stepper linear actuator.
Teflon coated lead screw stepper linear actuator enables it's longer life cycle and better thrust force generation against conventional SUS lead screw.
Teflon coating can be applied in the whole range of lead screw options and all types of linear actuators such as External, Non-Captive, Electric Cylinder and Kaptive.
In addition, anti-backlash nut also can be combined with teflon coated lead screw too.

External Anti-Backlash Nut

* According to different screw lead code selection, length of Anti-Backlash nut can be changed.
Non-Captive Anti-Backlash Nut

Encoder Option


| Resolution(CPR) | 100 | 108 | 120 | 125 | 128 | 200 | 250 | 256 | 300 |
| Single ended output | 0 | 1 | 2 | 3 | 4 | 5 | 6 | 7 | 8 |
| Differential output | A | B | C | D | E | F | G | H | I |
| Resolution(CPR) | 360 | 400 | 500 | 1000 | 512 | 720 | 800 |
| Single ended output | 9 | 10 | 11 | 12 | 13 | 14 | 15 |
| Differential output | J | K | L | M | N | O | P |


| Resolution(CPR) | 360 | 500 | 512 | 1000 | 1024 | 2000 | 2048 |
| Single ended output | 0 | 1 | 2 | 3 | 4 | 5 | 6 |
| Differential output | A | B | C | D | E | F | G |
* Among EK5 Encoder, EK5D option is only available for NEMA 8 (20mm) Non-Captive and Kaptive linear actuator.


| Resolution(CPR) | 400 | 500 | 1000 | 2000 |
| Single ended output | 0 | 1 | 3 | 6 |
| Differential output | A | B | D | G |

